中成泵業YW型不銹鋼液下污水泵、耐腐蝕液下污水泵品牌廠家為您提供YW型不銹鋼液下污水泵、耐腐蝕液下污水泵型號,選型,視頻等技術服務:021-66519999。
YW型不銹鋼液下污水泵具有節能效果顯著、防纏繞、無堵塞、自動安裝和自動控制等特點。在排送固體顆粒和長纖維垃圾方面,具有獨特效果。
耐腐蝕液下污水泵采用獨特葉輪結構和新型機械密封,能有效地輸送含有固體物和長纖維。葉輪與傳統葉輪相比,該泵葉輪采用單流道或雙流道形式,它類似于一截面大小相同的彎管,具有非常好的過流性,配以合理的蝸室,使得該泵具有效率高、葉輪經動靜平衡試驗,使泵在運行中無振動。
YW型不銹鋼液下污水泵適用于化工、石油、制藥、采礦、造紙工業、水泥廠、煉鋼廠、電廠、煤加工工業,以及城市污水處理廠排水系統、市政工程、建筑工地等行業輸送帶顆粒的污水、污物,也司用于抽送清水及帶腐蝕性介質。
型 號 | 口 徑 (mm) | 流 量 (m3/h) | 揚 程 (m) | 功 率 (kw) | 轉 速 (r/min) | 效 率 (%) |
YW25-8-22-1.1 | 25 | 8 | 22 | 1.1 | 2825 | 38.5 |
YW32-12-15-1.1 | 32 | 12 | 15 | 1.1 | 2825 | 40 |
YW40-15-15-1.5 | 40 | 15 | 15 | 1.5 | 2840 | 45.1 |
YW40-15-30-2.2 | 40 | 15 | 30 | 2.2 | 2840 | 48 |
YW50-20-7-0.75 | 50 | 20 | 7 | 0.75 | 1390 | 54 |
YW50-10-10-0.75 | 50 | 10 | 10 | 0.75 | 1390 | 56 |
YW50-20-15-1.5 | 50 | 20 | 15 | 1.5 | 2840 | 55 |
YW50-15-25-2.2 | 50 | 15 | 25 | 2.2 | 2840 | 56 |
YW50-18-30-3 | 50 | 18 | 30 | 3 | 2880 | 58 |
YW50-25-32-5.5 | 50 | 25 | 32 | 5.5 | 2900 | 53 |
YW50-20-40-7.5 | 50 | 20 | 40 | 7.5 | 2900 | 55 |
YW65-25-15-2.2 | 65 | 25 | 15 | 2.2 | 2840 | 52 |
YW65-37-13-3 | 65 | 37 | 13 | 3 | 2880 | 55 |
YW65-25-30-4 | 65 | 25 | 30 | 4 | 2890 | 58 |
YW65-30-40-7.5 | 65 | 30 | 40 | 7.5 | 2900 | 56 |
YW65-35-50-11 | 65 | 35 | 50 | 11 | 2930 | 60 |
YW65-35-60-15 | 65 | 35 | 60 | 15 | 2930 | 63 |
YW80-40-7-2.2 | 80 | 40 | 7 | 2.2 | 1420 | 52 |
YW80-43-13-3 | 80 | 43 | 13 | 3 | 2880 | 50 |
YW80-40-15-4 | 80 | 40 | 15 | 4 | 2890 | 57 |
YW80-65-25-7.5 | 80 | 65 | 25 | 7.5 | 2900 | 56 |
YW100-80-10-4 | 100 | 80 | 10 | 4 | 1440 | 62 |
YW100-110-10-5.5 | 100 | 110 | 10 | 5.5 | 1440 | 66 |
YW100-100-15-7.5 | 100 | 100 | 15 | 7.5 | 1440 | 67 |
YW100-85-20-7.5 | 100 | 85 | 20 | 7.5 | 1440 | 68 |
YW100-100-25-11 | 100 | 100 | 25 | 11 | 1460 | 65 |
YW100-100-30-15 | 100 | 100 | 30 | 15 | 1460 | 66 |
YW100-100-35-18.5 | 100 | 100 | 35 | 18.5 | 1470 | 65 |
YW125-130-15-11 | 125 | 130 | 15 | 11 | 1460 | 62 |
YW120-130-20-15 | 125 | 130 | 20 | 15 | 1460 | 63 |
YW150-145-9-7.5 | 150 | 145 | 9 | 7.5 | 1440 | 63 |
YW150-180-15-15 | 150 | 180 | 15 | 15 | 1460 | 65 |
YW150-180-20-18.5 | 150 | 180 | 20 | 18.5 | 1470 | 75 |
YW150-180-25-22 | 150 | 180 | 25 | 22 | 1470 | 76 |
YW150-130-30-22 | 150 | 130 | 30 | 22 | 1470 | 75 |
YW150-180-30-30 | 150 | 180 | 30 | 30 | 1470 | 73 |
YW150-200-30-37 | 150 | 200 | 30 | 37 | 1480 | 70 |
YW200-300-7-11 | 200 | 300 | 7 | 11 | 970 | 73 |
YW200-250-11-15 | 200 | 250 | 11 | 15 | 970 | 74 |
YW200-400-10-22 | 200 | 400 | 10 | 22 | 1470 | 76 |
YW200-400-13-30 | 200 | 400 | 13 | 30 | 1470 | 73 |
YW200-250-15-18.5 | 200 | 250 | 15 | 18.5 | 1470 | 72 |
YW200-300-15-22 | 200 | 300 | 15 | 22 | 1470 | 73 |
YW200-250-22-30 | 200 | 250 | 22 | 30 | 1470 | 71 |
YW200-350-25-37 | 200 | 350 | 25 | 37 | 1980 | 75 |
YW200-400-30-55 | 200 | 400 | 30 | 55 | 1480 | 70 |
YW250-600-9-30 | 250 | 600 | 9 | 30 | 980 | 74 |
YW250-600-12-37 | 250 | 600 | 12 | 37 | 1480 | 78 |
YW250-600-15-45 | 250 | 600 | 15 | 45 | 1480 | 75 |
YW250-600-20-55 | 250 | 600 | 20 | 55 | 1480 | 73 |
YW250-600-25-75 | 250 | 600 | 25 | 75 | 1480 | 73 |
YW300-800-12-45 | 300 | 800 | 12 | 45 | 980 | 76 |
YW300-500-15-45 | 300 | 500 | 15 | 45 | 980 | 70 |
YW300-800-15-55 | 300 | 800 | 15 | 55 | 980 | 73 |
YW300-600-20-55 | 300 | 600 | 20 | 55 | 980 | 75 |
YW300-800-20-75 | 300 | 800 | 20 | 75 | 980 | 78 |
YW300-950-20-90 | 300 | 950 | 20 | 90 | 980 | 80 |
YW300-1000-25-110 | 300 | 1000 | 25 | 110 | 980 | 82 |
YW350-1100-10-55 | 350 | 1100 | 10 | 55 | 980 | 84.5 |
YW350-1500-15-90 | 350 | 1500 | 15 | 90 | 980 | 82.5 |
YW350-1200-18-90 | 350 | 1200 | 18 | 90 | 980 | 83.1 |
YW350-1100-28-132 | 350 | 1100 | 28 | 132 | 740 | 83.2 |
YW350-1000-36-160 | 350 | 1000 | 36 | 160 | 740 | 78.5 |
YW400-1500-10-75 | 400 | 1500 | 10 | 75 | 980 | 82.1 |
YW400-2000-15-132 | 400 | 2000 | 15 | 132 | 740 | 85.5 |
YW400-1700-22-160 | 400 | 1700 | 22 | 160 | 740 | 82.1 |
YW400-1500-26-160 | 400 | 1500 | 26 | 160 | 740 | 83.5 |
YW400-1700-30-200 | 400 | 1700 | 30 | 200 | 740 | 83.5 |
YW400-1800-32-250 | 400 | 1800 | 32 | 250 | 740 | 82.1 |
YW500-2500-10-110 | 500 | 2500 | 10 | 110 | 740 | 82 |
YW500-2600-15-160 | 500 | 2600 | 15 | 160 | 740 | 83 |
YW500-2400-22-220 | 500 | 2400 | 22 | 220 | 740 | 84 |
YW500-2600-24-250 | 500 | 2600 | 24 | 250 | 740 | 82 |
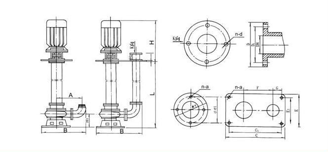
型號 | D | D1 | DN | n-d | B | HI | L | h | H2 | H | A | CXE | C1XE1 | F | G | n-a | φe | φe1 |
25YW8-22-1.1 | 120 | 90 | 25 | 4-φ14 | 310 | 115 | 1-5 | 16 | 70 | 360 | 190 | 600x320 | 550x270 | 190 | 85 | 4-φ14 | 300 | 265 |
32YW12-15-1.1 | 120 | 90 | 32 | 4-φ14 | 310 | 115 | 1-5 | 16 | 70 | 360 | 190 | 600x320 | 550x270 | 190 | 85 | 4-φ14 | 300 | 265 |
40YW15-15-1.5 | 130 | 100 | 40 | 4-φ14 | 360 | 125 | 1-5 | 18 | 80 | 370 | 215 | 600x320 | 550x270 | 215 | 60 | 4-φ14 | 300 | 265 |
40YW15-30-2.2 | 130 | 100 | 40 | 4-φ14 | 360 | 125 | 1-5 | 18 | 80 | 400 | 215 | 600x320 | 550x270 | 215 | 60 | 4-φ14 | 300 | 265 |
50YW20-7-0.75 | 140 | 110 | 50 | 4-φ14 | 405 | 125 | 1-5 | 13 | 80 | 360 | 255 | 600x320 | 550x270 | 255 | 65 | 4-φ14 | 300 | 265 |
50YW-10-10-0.75 | 140 | 110 | 50 | 4-φ14 | 405 | 125 | 1-5 | 18 | 80 | 360 | 255 | 600x320 | 550x270 | 255 | 65 | 4-φ14 | 300 | 265 |
50YW20-15-1.5 | 140 | 110 | 50 | 4-φ14 | 405 | 120 | 1-5 | 18 | 80 | 370 | 255 | 600x320 | 550x270 | 255 | 65 | 4-φ14 | 300 | 265 |
50YW15-25-2.2 | 140 | 110 | 50 | 4-φ14 | 405 | 120 | 1-5 | 18 | 80 | 400 | 255 | 600x320 | 550x270 | 255 | 65 | 4-φ14 | 300 | 265 |
50YW18-30-3 | 140 | 110 | 50 | 4-φ14 | 405 | 125 | 1-5 | 18 | 80 | 440 | 255 | 600x320 | 550x270 | 255 | 65 | 4-φ14 | 300 | 265 |
50YW25-32-5.5 | 140 | 110 | 50 | 4-φ14 | 405 | 160 | 1-5 | 20 | 80 | 540 | 265 | 600x350 | 550x300 | 265 | 55 | 4-φ14 | 350 | 300 |
50YW20-40-7.5 | 140 | 110 | 50 | 4-φ14 | 405 | 160 | 1-5 | 20 | 80 | 570 | 265 | 600x350 | 550x300 | 265 | 55 | 4-φ14 | 350 | 300 |
65YW25-15-2.2 | 160 | 130 | 65 | 4-φ14 | 440 | 130 | 1-5 | 18 | 80 | 400 | 280 | 600x320 | 550x270 | 280 | 70 | 4-φ14 | 300 | 265 |
65YW37-13-3 | 160 | 130 | 65 | 4-φ14 | 440 | 130 | 1-5 | 18 | 80 | 440 | 280 | 600x320 | 550x270 | 280 | 70 | 4-φ14 | 300 | 265 |
65YW25-30-4 | 160 | 130 | 65 | 4-φ14 | 440 | 130 | 1-5 | 18 | 80 | 470 | 280 | 600x320 | 550x270 | 265 | 70 | 4-φ14 | 300 | 265 |
65YW30-40-7.5 | 160 | 130 | 65 | 4-φ14 | 450 | 160 | 1-5 | 20 | 80 | 570 | 280 | 600x320 | 550x270 | 300 | 55 | 4-φ14 | 350 | 300 |
65Yff35-50-11 | 160 | 130 | 65 | 4-φ14 | 450 | 210 | 1-5 | 22 | 100 | TOO | 300 | 720x380 | 660x320 | 300 | 65 | 4-φ18 | 450 | 400 |
65YW35-60-15 | 160 | 130 | 65 | 4-φ14 | 450 | 210 | 1-5 | 22 | 100 | 740 | 300 | 720x380 | 660x320 | 300 | 65 | 4-φ18 | 450 | 400 |
80YW40-7-2.2 | 190 | 150 | 80 | 4-φ18 | 530 | 170 | 1-5 | 22 | 100 | 400 | 325 | 650x350 | 600x300 | 325 | 75 | 4-φ18 | 300 | 265 |
80YW43-13-3 | 190 | 150 | 80 | 4-φ18 | 530 | 160 | 1-5 | 22 | 100 | 440 | 325 | 650x350 | 600x300 | 325 | 75 | 4-φ18 | 300 | 265 |
80YW40-15-4 | 190 | 150 | 80 | 4-φ18 | 530 | 160 | 1-5 | 22 | 100 | 470 | 325 | 650x350 | 600x300 | 325 | 75 | 4-φ18 | 300 | 265 |
80YW65-25-7.5 | 190 | 150 | 80 | 4-φ18 | 530 | 170 | 1-7 | 22 | 100 | 570 | 325 | 650x350 | 600x300 | 325 | 75 | 4-φ18 | 350 | 300 |
100YW80-10-4 | 210 | 170 | 100 | 4-φ18 | 630 | 180 | 1-7 | 22 | 100 | 470 | 385 | 720x380 | 660x320 | 385 | 55 | 4-φ18 | 300 | 265 |
100YW110-10-5.5 | 210 | 170 | 100 | 4-φ18 | 630 | 190 | 1-7 | 22 | 100 | 540 | 385 | 720x380 | 660x320 | 385 | 55 | 4-φ18 | 350 | 300 |
100YW100-15-7.5 | 210 | 170 | 100 | 4-φ18 | 630 | 190 | 1-7 | 22 | 100 | 570 | 385 | 720x380 | 660x320 | 385 | 55 | 4-φ18 | 350 | 300 |
100YW85-20-7.5 | 210 | 170 | 100 | 4-φ18 | 630 | 190 | 1-7 | 22 | 100 | 570 | 385 | 720x380 | 660x320 | 385 | 55 | 4-φ18 | 350 | 300 |
100YW100-25-11 | 210 | 170 | 100 | 4-φ18 | TOO | 200 | 1-7 | 18 | 100 | TOO | 430 | 800x380 | 720x320 | 430 | 50 | 4-φ18 | 450 | 400 |
100YW100-30-15 | 210 | 170 | 100 | 4-φ18 | 770 | 220 | 1-7 | 18 | 100 | 740 | 475 | 900x400 | 820x320 | 475 | 135 | 4-φ18 | 450 | 400 |
100YW100-35-18.5 | 210 | 170 | 100 | 8-φ18 | 770 | 220 | 1-7 | 18 | 100 | 760 | 475 | 900x400 | 820x320 | 475 | 135 | 4-φ18 | 600 | 500 |
125YW130-15-11 | 240 | 200 | 125 | 8-φ18 | 750 | 210 | 1-7 | 20 | 140 | 700 | 470 | 1000x600 | 920x520 | 470 | 145 | 4-φ23 | 450 | 400 |
125YW130-20-15 | 240 | 200 | 125 | 8-φ18 | 750 | 210 | 1-7 | 20 | 140 | 740 | 470 | 1000x600 | 920x520 | 470 | 145 | 4-φ23 | 450 | 400 |
150YW145-9-7.5 | 265 | 225 | 125 | 8-φ18 | 840 | 220 | 1-7 | 20 | 140 | 570 | 520 | 1000x600 | 920x520 | 520 | 130 | 4-φ23 | 350 | 300 |
150YW180-15-15 | 265 | 225 | 150 | 8-φ18 | 840 | 220 | 1-7 | 20 | 140 | 740 | 520 | 1000x600 | 920x520 | 520 | 130 | 4-φ23 | 600 | 500 |
150YW180-20-18.5 | 265 | 225 | 150 | 8-φ18 | 840 | 220 | 1-7 | 20 | 140 | 760 | 520 | 1000x600 | 920x520 | 520 | 130 | 4-φ23 | 600 | 500 |
150YW180-25-22 | 265 | 225 | 150 | 8-φ18 | 840 | 220 | 1-7 | 20 | 140 | 800 | 520 | 1000x600 | 920x520 | 520 | 130 | 4-φ23 | 600 | 500 |
150YW130-30-22 | 265 | 225 | 150 | 8-φ18 | 840 | 220 | 1-7 | 20 | 140 | 800 | 520 | 1000x600 | 920x520 | 520 | 130 | 4-φ23 | 600 | 500 |
150YW180-30-30 | 265 | 225 | 150 | 8-φ18 | 870 | 275 | 1-7 | 20 | 140 | 860 | 550 | 1000x600 | 920x520 | 550 | 160 | 4-φ23 | 600 | 500 |
150YW200-30-37 | 265 | 225 | 150 | 8-φ18 | 870 | 275 | 1-7 | 20 | 140 | 950 | 550 | 1000x600 | 920x520 | 550 | 160 | 4-φ23 | 600 | 500 |
200YW300-7-11 | 335 | 295 | 200 | 8-φ23 | 1000 | 270 | 1-7 | 20 | 200 | 700 | 630 | 1300x750 | 1220x680 | 630 | 140 | 4-φ23 | 600 | 500 |
200YW250-11-15 | 335 | 295 | 200 | 8-φ23 | 1000 | 270 | 1-7 | 20 | 200 | 740 | 630 | 1300x750 | 1220x680 | 630 | 140 | 4-φ23 | 600 | 500 |
200YW400-10-22 | 335 | 295 | 200 | 8-φ23 | 1000 | 270 | 1-7 | 20 | 200 | 800 | 630 | 1300x750 | 1220x680 | 630 | 140 | 4-φ23 | 600 | 500 |
200YW400-13-30 | 335 | 295 | 200 | 8-φ23 | 1000 | 270 | 1-7 | 20 | 200 | 860 | 630 | 1300x750 | 1220x680 | 630 | 140 | 4-φ23 | 600 | 500 |
200YW250-15-18.5 | 335 | 295 | 200 | 8-φ23 | 1000 | 270 | 1-7 | 20 | 200 | 760 | 630 | 1300x750 | 1220x680 | 630 | 140 | 4-φ23 | 600 | 500 |
200YW300-15-22 | 335 | 295 | 200 | 8-φ23 | 1000 | 270 | 1-7 | 20 | 200 | 800 | 630 | 1300x750 | 1220x680 | 630 | 140 | 4-φ23 | 600 | 500 |
200YW250-22-30 | 335 | 295 | 200 | 8-φ23 | 1000 | 270 | 1-7 | 20 | 200 | 860 | 630 | 1300x750 | 1220x680 | 630 | 140 | 4-φ23 | 600 | 500 |
200YW350-25-37 | 335 | 295 | 200 | 8-φ23 | 1000 | 270 | 1-7 | 20 | 200 | 950 | 630 | 1300x750 | 1220x680 | 630 | 140 | 4-φ23 | 600 | 500 |
200YW400-30-55 | 335 | 295 | 200 | 8-φ23 | 1050 | 280 | 1-7 | 22 | 200 | 950 | 650 | 1300x750 | 1220x680 | 650 | 140 | 4-φ23 | 600 | 500 |
250YW600-9-30 | 390 | 350 | 250 | 12-φ18 | 1100 | 320 | 1-7 | 25 | 250 | 850 | 650 | 1300x750 | 1220x680 | 650 | 250 | 6-φ20 | 750 | 680 |
250YW600-12-37 | 390 | 350 | 250 | 12-φ18 | 1100 | 320 | 1-7 | 25 | 250 | 950 | 650 | 1300x750 | 1220x680 | 650 | 250 | 6-φ20 | 750 | 680 |
250YW600-15-45 | 390 | 350 | 250 | 12-φ18 | 1100 | 320 | 1-7 | 25 | 250 | 1010 | 650 | 1300x750 | 1220x680 | 650 | 250 | 6-φ20 | 750 | 680 |
250YW600-20-55 | 390 | 350 | 250 | 12-φ18 | 1100 | 320 | 1-7 | 25 | 250 | 1250 | 650 | 1300x750 | 1220x680 | 650 | 250 | 6-φ20 | 750 | 680 |
250YW600-25-75 | 390 | 350 | 250 | 12-φ18 | 1100 | 320 | 1-7 | 25 | 250 | 1310 | 650 | 1300x750 | 1220x680 | 650 | 250 | 6-φ20 | 750 | 680 |
300YW800-12-45 | 440 | 395 | 300 | 12-φ23 | 1200 | 400 | 1-7 | 28 | 250 | 1200 | 800 | 1400x750 | 1300x680 | 800 | 320 | 6-φ20 | 750 | 680 |
300YW500-15-45 | 440 | 395 | 300 | 12-φ23 | 1200 | 400 | 1-7 | 28 | 250 | 1200 | 800 | 1400x750 | 1300x680 | 800 | 320 | 6-φ20 | 750 | 680 |
300YW800-15-55 | 440 | 395 | 300 | 12-φ23 | 1200 | 400 | 1-7 | 28 | 250 | 1250 | 800 | 1400x750 | 1300x680 | 800 | 320 | 6-φ20 | 750 | 680 |
300YW600-20-55 | 440 | 395 | 300 | 12-φ23 | 1200 | 400 | 1-7 | 28 | 250 | 1250 | 800 | 1400x750 | 1300x680 | 800 | 320 | 6-φ20 | 750 | 680 |
300YW800-20-75 | 440 | 395 | 300 | 12-φ23 | 1200 | 400 | 1-7 | 28 | 250 | 1350 | 800 | 1400x750 | 1300x680 | 800 | 320 | 6-φ20 | 750 | 680 |
300YW950-20-90 | 440 | 395 | 300 | 12-φ23 | 1200 | 400 | 1-7 | 28 | 250 | 1420 | 800 | 1400x750 | 1300x680 | 800 | 320 | 6-φ20 | 750 | 680 |
300YW1000-25-110 | 440 | 395 | 300 | 12-φ23 | 1200 | 400 | 1-7 | 28 | 250 | 1560 | 800 | 1400x750 | 1300x680 | 800 | 320 | 6-φ20 | 750 | 680 |
350YW1100-10-55 | 500 | 460 | 350 | 12-φ23 | 1350 | 450 | 1-7 | 30 | 250 | 1300 | 950 | 1500x750 | 1400x680 | 950 | 400 | 6-φ20 | 750 | 680 |
350YW1500-15-90 | 500 | 460 | 350 | 12-φ23 | 1350 | 450 | 1-7 | 30 | 250 | 1450 | 950 | 1500x750 | 1400x680 | 950 | 400 | 6-φ20 | 750 | 680 |
350YW1200-18-90 | 500 | 460 | 350 | 12-φ23 | 1350 | 450 | 1-7 | 30 | 250 | 1450 | 950 | 1500x750 | 1400x680 | 950 | 400 | 6-φ20 | 750 | 680 |
350YW1100-28-132 | 500 | 460 | 350 | 12-φ23 | 1350 | 450 | 1-7 | 30 | 250 | 1600 | 950 | 1500x750 | 1400x680 | 950 | 400 | 6-φ20 | 750 | 680 |
350YW1000-36-160 | 500 | 460 | 350 | 12-φ23 | 1350 | 450 | 1-7 | 30 | 250 | 1600 | 950 | 1500x750 | 1400x680 | 950 | 400 | 6-φ20 | 750 | 680 |
400YW1500-10-75 | 560 | 515 | 400 | 16-φ26 | 1480 | 510 | 1-7 | 30 | 250 | 1400 | 950 | 2000x850 | 1900x780 | 950 | 400 | 6-φ20 | 750 | 680 |
400YW2000-15-132 | 560 | 515 | 400 | 16-φ26 | 1480 | 510 | 1-7 | 30 | 250 | 1600 | 950 | 2000x850 | 1900x780 | 950 | 400 | 6-φ20 | 750 | 680 |
400YW1700-22-160 | 560 | 515 | 400 | 16-φ26 | 1480 | 510 | 1-7 | 30 | 250 | 1620 | 950 | 2000x850 | 1900x780 | 950 | 400 | 6-φ20 | 750 | 680 |
400YW1500-26-160 | 560 | 515 | 400 | 16-φ26 | 1480 | 510 | 1-7 | 30 | 250 | 1630 | 950 | 2000x850 | 1900x780 | 950 | 400 | 6-φ20 | 750 | 680 |
400YW1700-30-200 | 560 | 515 | 400 | 16-φ26 | 1480 | 510 | 1-7 | 30 | 250 | 1750 | 950 | 2000x850 | 1900x780 | 950 | 400 | 6-φ20 | 750 | 680 |
400YW1800-32-250 | 560 | 515 | 400 | 16-φ26 | 1480 | 510 | 1-7 | 30 | 250 | 1360 | 950 | 2000x850 | 1900x780 | 950 | 400 | 6-φ20 | 750 | 680 |
500YW2500-10-110 | 670 | 620 | 500 | 20-φ26 | 2010 | 580 | 1-7 | 30 | 250 | 1600 | 1200 | 2200x950 | 2100x850 | 1200 | 300 | 6-φ20 | 900 | 800 |
500YW2600-15-160 | 670 | 620 | 500 | 20-φ26 | 2010 | 580 | 1-7 | 30 | 250 | 1620 | 1200 | 2200x950 | 2100x850 | 1200 | 300 | 6-φ20 | 900 | 800 |
500YW2400-22-220 | 670 | 620 | 500 | 20-φ26 | 2010 | 580 | 1-7 | 30 | 250 | 1750 | 1200 | 2200x950 | 2100x850 | 1200 | 300 | 6-φ20 | 900 | 800 |
500YW2600-24-250 | 670 | 620 | 500 | 20-φ26 | 2010 | 580 | 1-7 | 30 | 250 | 1860 | 1200 | 2200x950 | 2100x850 | 1200 | 300 | 6-φ20 | 900 | 800 |
故障現象 | 原因分析 | 排除方法 |
流量不足或不出水 | 1.葉輪旋轉錯誤 2.閥門是否打幵和完好 3.管道葉輪被堵 4.轉速過低 5.揚程過高 6.抽送介質密度較大和精度較高 7.密封圈損壞(口環處) | 1.調整葉輪旋轉方向 2.檢査、維修、排除 3.清理雜物 4.檢查電器設備及電路 5.改泵或降低揚程 6.用水沖稀降低濃度和粘度 7.更換 |
運行不穩定或 泵不能啟動 | 1.葉輪不平衡 2.軸承損壞 3.缺相 4.葉輪卡住 | 1.送制造廠調換或校正 2.更換 3.檢査電路進行修復 4.排除雜物 |
電流過大 | 1.工作電壓低 2.管道葉輪受阻 3.使用揚程過低 4.抽送液體的高度或粘度較高 | 1.調整工作電壓 2.清理管道、葉輪堵物 3一減少流量.提高揚程 4.改變密度或粘度 |
泵有雜音或 振?動 | 1.泵軸、電機軸不同心 2.介質中有氣體 3.腐蝕使泵軸不平衡 4.傳動裝置處嫘栓松動 5.泵軸彎曲 | 1.調整 2.降溫或壓 3.更換 4.緊固 5.校直或換 |